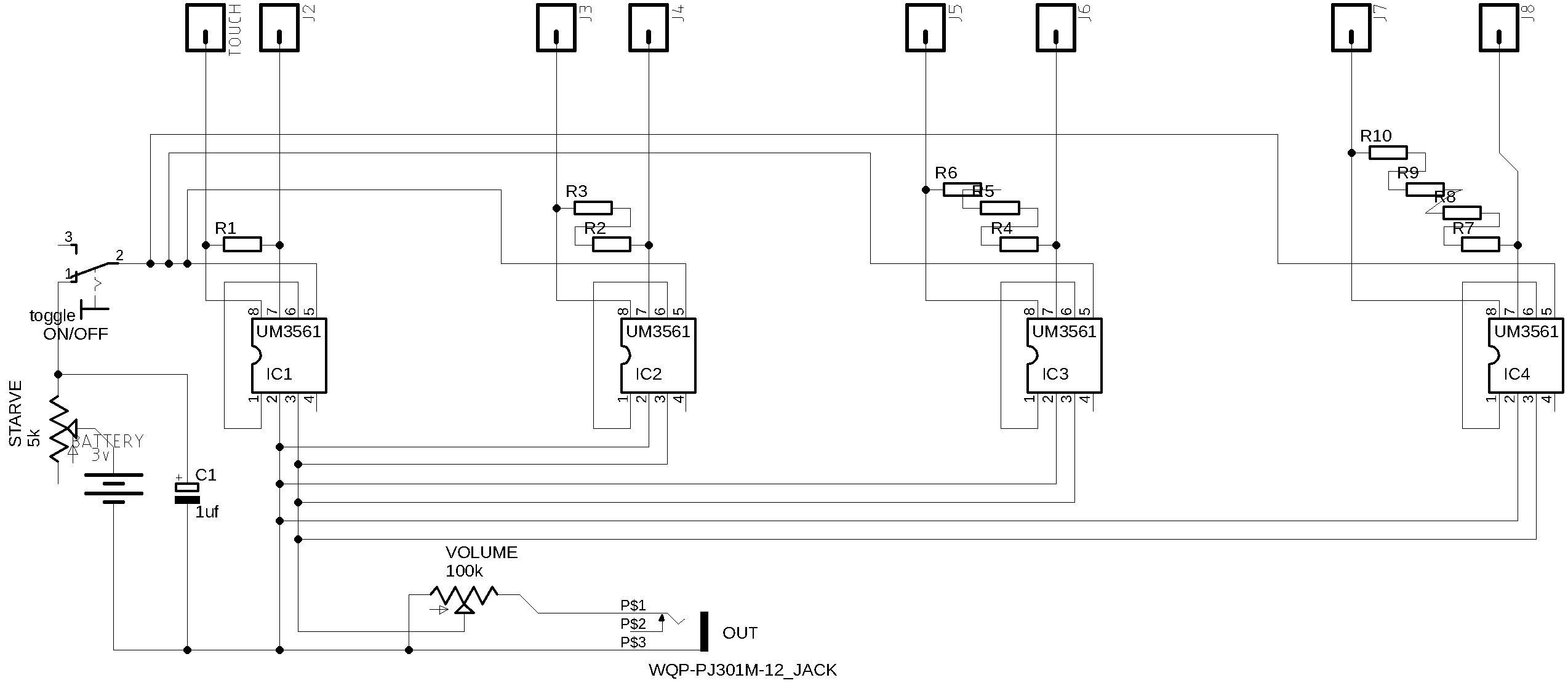
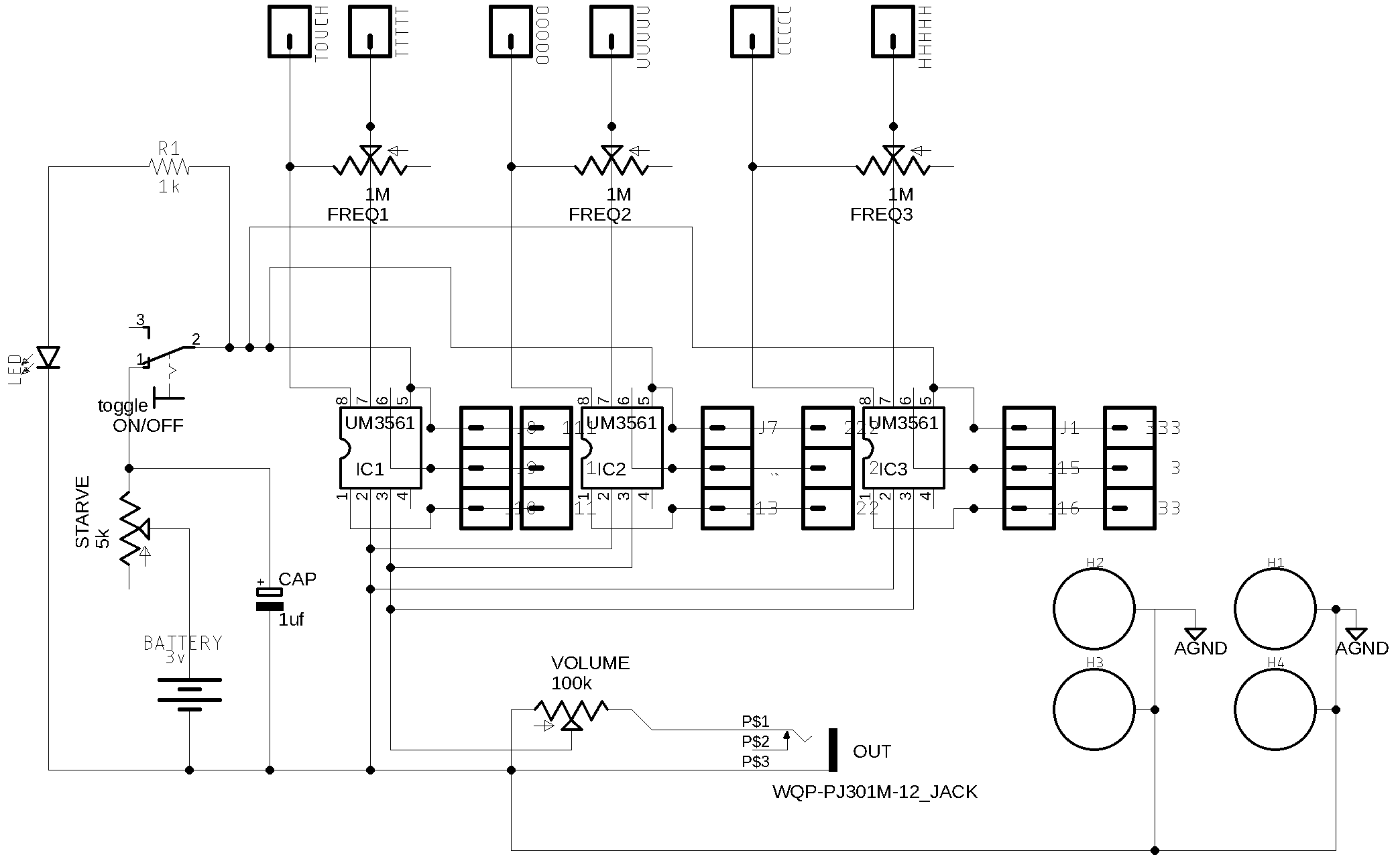
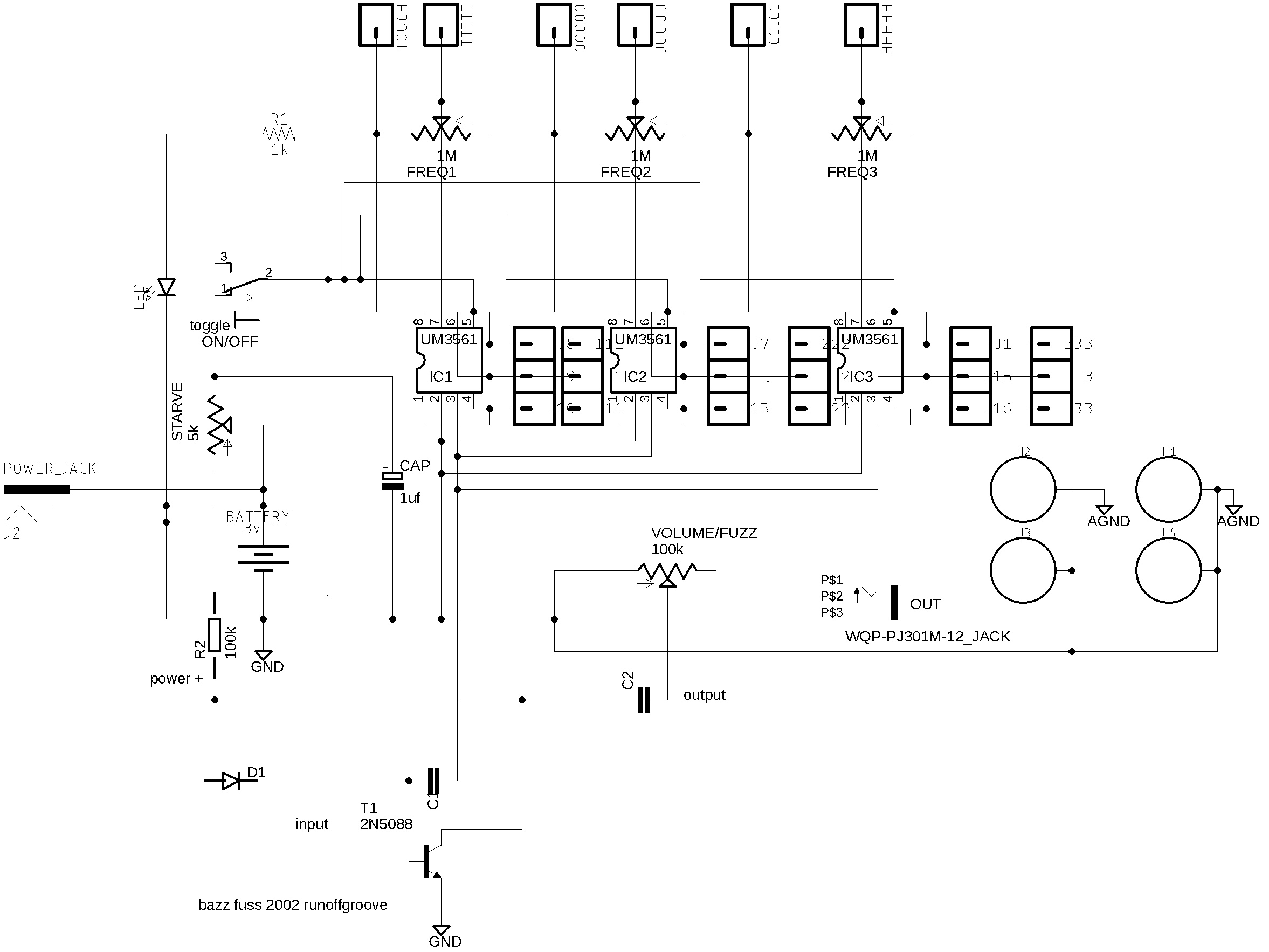
This project uses a UM3561 audio sound effect IC and modifies the default circuit from the data sheet to form a simple DIY electronic musical instrument by adding components to control parameters.
This circuit has an output volume control, power starve and touch points connected to the resistors.
Inspired by the idea of “bent by design”.
It is an example of the idea of a “physical remix”.
This project uses a UM3561 audio sound effect IC to make a basic DIY electronic musical instrument – adding components to control parameters.
The circuit has gone through a ‘transformation’. One of the key elements in the creative practice of remixing. It is an expression of the idea of a “physical remix”.
UM3561+ v3_1 & v3_2 fuzz added 2024





